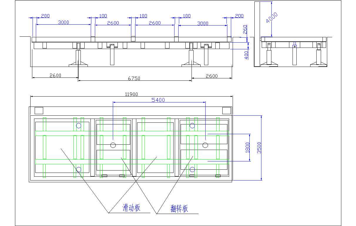
商用车辆侧翻实验平台系统主要由机械结构、电气测控系统和液压系统三部分组成。该实验系统能够实现举升试验、侧翻试验、摇摆试验、质量参数测量试验等功能,主要用于研究车身结构力学特性、动态特性,车辆最大侧翻角度,车辆X、Y轴转动惯量以及质心位置等。